Vigas no Revit – Guia básico – Reúne as principais funcionalidades deste importante elemento estrutural presente em qualquer tipo de projeto, aprenda agora!
A ferramenta Viga do Revit tem uma série de recursos para a sua correta configuração, independente do seu tipo de material e aplicação, mas antes disso vamos entender o que é uma efetivamente uma viga.
O que é uma viga?
Viga é um elemento estrutural que tem por função suportar cargas e transferi-las para os apoios como pilares ou paredes, sendo um elemento fundamental na estabilidade de edificações ou outras estruturas.
Uma viga deve resistir a esforços de flexão, esforço cortante e, em alguns casos, torção. Os materiais mais comuns são concreto, aço e madeira, com formatos variados como retangular (concreto), perfil “I” ou “H” (aço) e viga laminada (madeira).

Existem diversas normas técnicas que você pode consultar para a correta especificação e dimensionamento de vigas. Vou listar as principais logo abaixo:
Vigas de concreto armado e protendido – Normas técnicas
- NBR6118 DE 08/2023 – Projeto de estruturas de concreto.
- NBR14931 DE 04/2023 – Execução de estruturas de concreto armado, protendido e com fibras — Requisitos.
- NBR6120 DE 09/2019 – Ações para o cálculo de estruturas de edificações.
- NBR8681 DE 03/2003 – Ações e segurança nas estruturas – Procedimento.
- NBR7480 DE 03/2024 – Aço destinado às armaduras para estruturas de concreto armado – Requisitos
Vigas de aço – Normas técnicas
- NBR8800 DE 10/2024 – Projeto de estruturas de aço e de estruturas mistas de aço e concreto de edificações.
- NBR14323 DE 08/2013 – Projeto de estruturas de aço e de estruturas mistas de aço e concreto de edifícios em situação de incêndio.
- NBR14762 DE 07/2010 – Dimensionamento de estruturas de aço constituídas por perfis formados a frio.
- NBR16239 DE 11/2013 – Projeto de estruturas de aço e de estruturas mistas de aço e concreto de edificações com perfis tubulares.
- NBR6123 DE 12/2023 – Forças devidas ao vento em edificações.
Vigas de madeira – Normas técnicas
- NBR7190-1 DE 06/2022 – Projeto de estruturas de madeira – Parte 1: Critérios de dimensionamento.
- NBR15575-2 DE 02/2013 – Edificações habitacionais — Desempenho – Parte 2: Requisitos para os sistemas estruturais.
- NBR7190-1 DE 06/2022 – Projeto de estruturas de madeira – Parte 1: Critérios de dimensionamento.
Devido ao grande volume de normas fica inviável eu fazer comentários sobre os principais pontos a serem observados nas normas, então, bons estudos! rs! Sendo assim, vamos para a parte prática dentro do Revit.
Vigas no Revit
A ferramenta Viga no Revit está disponível na aba Estrutura, dentro do painel Estrutura.

Aqui temos que observar um detalhe importante, que é qual o template que você está utilizando. Caso seja o template de Arquitetura, teremos uma única viga disponível.

Mas não é nada que não se resolva, basta clicar na ferramenta Viga e na aba Modificar | Colocar Viga clicar em Carregar família.

Você também pode ir até a aba Inserir e no painel Carregar da Biblioteca clique em Carregar família da Autodesk.

Eu vou me concentrar em três tipos de Vigas: aço, concreto e madeira.

Você vai observar que de acordo com o tipo de viga temos parâmetros a mais ou a menos dentro de suas Propriedades.

De uma forma geral as diferenças estão centralizadas na parte estrutural, uma vez que estamos lidando com materiais muito diferentes. A viga de concreto não possui alguns campos de Posição geométrica, mas nada que comprometa sua versatilidade.
Já quando falamos de Propriedades de Tipo, a viga de aço tem o maior volume de parâmetros.

Outro aspecto muito importante no processo de criação de vigas é que precisamos configurar corretamente os níveis e a faixa de vista, uma vez que a viga pode estar acima ou abaixo do plano de corte.

Se quiser saber mais obre níveis e faixa de vista, vou deixar dois artigos completos logo abaixo:
No meu caso estou usando o template de Arquitetura então na vista de Nível 1 vou precisar aumentar a profundidade da vista, para isso vá até a paleta de Propriedades e no campo Faixa da vista clique em Editar.

Na janela Faixa da vista, altere o valor de Profundidade da vista para -0,10m.

A partir de agora as vigas que forem criadas no piso serão visíveis neste piso. Caso tenha vigas em outros níveis repita o processo de configurar a Profundidade de vista.
Inserindo vigas no Revit
O processo para inserir vigas no Revit é muito simples, basta clicar no ponto onde você quer que a viga comece e depois clicar no ponto onde você quer que a viga termine (ou digitar um valor de comprimento da viga.

Este processo funciona com qualquer tipo de viga. Mas antes de sair desenhando suas vigas recomendo que ao clicar na ferramenta viga você dê uma olhada na aba Modificar | Colocar Viga.

O primeiro campo que temos é o painel Desenhar, onde temos ferramentas que nos permitem definir o formato da nossa viga.

Além da tradicional viga linear é possível criar formatos curvos ou até mesmo sinuosos.

Em projetos onde temos linhas de eixos, podemos recorrer ao painel Múltiplo, que permite inserir vigas diretamente nos eixos.

Para usar a ferramenta Nos eixos precisamos obviamente dos eixos mas também é necessário que na intersecção dos eixos existam pilares. Preparado o projeto basta selecionar a viga desejada e fazer uma caixa de seleção para inserir suas vigas.

O painel Identificador permite ativar a opção Identificar na colocação, onde podemos deixar uma anotação para ser inserida automaticamente ao criar a viga.

Basta manter a opção Identificar na colocação, desta forma toda viga que for inserida no projeto já vai ser criada com sua respectiva anotação de identificação.

Por fim temos o painel Posicionamento, onde temos a opção Snap 3D. Este recurso permite a criação de vigas fora do plano de trabalho.

Com o Snap 3D ativado é possível usar o snap para detectar um ponto de referência fora do plano de trabalho para a criação de uma viga.

Além da opções disponíveis em Modificar | Colocar viga temos a Barra de opções, que nos oferece alguns recursos bem interessantes.

A primeira opção, Plano de colocação permite definir em qual nível do projeto a viga será criada.

Já na opção Uso estrutural podemos definir a função da viga, mas não se preocupe, você pode alterar a sua função posteriormente.

Por padrão temos a opção Automático ativada, mas se quiser definir você mesmo o uso estrutural da viga vamos entender o que cada opção quer dizer:
- Viga mestre – é definida por uma viga que se estende de pilar a pilar.
- Contraventamento horizontal – conecta diferentes partes da estrutura melhorando a rigidez.
- Caibro – é definida por uma viga que se estende de uma viga mestre a outra viga mestre.
- Outro – é definido por uma viga com outra combinação de conexões.
- Terça – é definida por uma viga que se estende de um caibro a outro caibro ou terça a terça.
Claro que visualmente é bem mais simples de entender, então vou deixar uma imagem de como isso fica na prática.

Por fim a opção Cadeia, quando ativada, permite inserir múltiplas vigas em sequência.

Além destas opções temos uma série de parâmetros que podem ser configurados dentro da paleta de Propriedades, vamos conferir.
Modificar Vigas
Ao selecionar uma viga inserida no seu projeto temos acesso a aba Modificar | Quadro estrutural, onde temos algumas opções de personalização.

O painel Modo nos dá acesso ao Editor de família, onde podemos fazer alterações na família da viga selecionada.

Na sequência temos o painel Ferramentas de união, que nos oferece a ferramenta Alterar referência.

Aqui precisamos entender que esta ferramenta funciona através do contexto do seu projeto.
Como assim?
Vou usar uma imagem como exemplo. Observe que em um pilar de perfil “I” a viga não vai até a alma da viga, respeitando a largura e profundidade do pilar.

Ou seja, temos uma referência em relação ao perímetro externo da viga, com a ferramenta Alterar referência nós podemos indicar qual é a referência correta. Basta selecionar a viga, clicar na ferramenta e clicar na referência correta.

No painel Justificação temos duas ferramentas para reposicionar a nossa viga. Onde a primeira ferramenta que temos é a Justificação de pontos que permite alterar o “ponto de origem” da Viga.

Como assim?
Uma família de viga costuma ser criada com seu ponto de origem centralizado.

Porém, ao inserir a viga no projeto, a mesma é inserida alinhada abaixo do nível de referência em que ela está associada.

Selecionando a Viga desejada clique em Justificação de pontos, que serão exibidos 9 pontos chave para você reposicionar o ponto de origem da sua viga, sendo que o ponto em vermelho é o ponto ativo.

Caso você altere o ponto de origem não é o ponto vermelho que se move e sim a viga que se move em direção ao ponto vermelho, alterando sua posição original para o alinhamento que você escolheu.

Em seguida temos as opções Deslocamento Y e Deslocamento Z, onde o ponto de origem permanece onde está, porém a viga é deslocada no eixo escolhido (X ou Y). Basta clicar na viga, mover na direção desejada e digitar o valor.

No painel Plano de trabalho podemos alterar o plano no qual a viga está associada.

E um painel exclusivo das vigas de concreto é o de Armadura, onde temos as opções Vergalhão, que permite adicionar a ferragem da sua viga e a opção Propagar vergalhão, que permite copiar o padrão de ferragem da viga atual para outras vigas.

Não vou entrar em detalhes sobre como trabalhar com vergalhão para não estender demais o artigo e também quero fazer outra publicação completa explorando este recurso.
Editando vigas no Revit – Propriedades
Como apresentei no início a paleta de Propriedades tem uma lista imensa de opções, porém algumas delas não ficam disponíveis dependendo do tipo de viga selecionada, no caso entre as opções de aço, madeira e concreto.

Claro que estes campos ficam indisponíveis por uma questão de contexto, afinal você não vai usar recobrimento de vergalhão em uma viga de madeira, por exemplo. Lembrando que todas as alterações realizadas aqui afetam apenas a viga selecionada.
Mas para um melhor entendimento vou dar um panorama geral de todos os campos e suas principais aplicações.
Vigas – Restrições
Quando criamos uma viga, podemos fazer alguns ajustes diretamente na paleta de Propriedades, porém, se você for ao campo Restrições antes de criar a viga só temos a opção Nível de referência.

Mas se você selecionar a viga após a sua criação, temos bem mais opções de edição disponíveis.

O campo Nível de referência indica em qual dos níveis do projeto a viga foi criada, já o campo Plano de trabalho informa se a viga está associada a um dos níveis de projeto ou se está associada a um plano de trabalho em específico.
Ah mas para mim ambos os campos estão bloqueados!
Isso depende da vista, em uma vista de elevação ou corte o campo Nível de referência fica acessível, já o campo Plano de trabalho realmente fica bloqueado, apenas indicando se a viga está associada a um plano de trabalho ou a qual nível de projeto.

Deslocamento do nível inicial e Deslocamento do nível final permitem que você desloque verticalmente as extremidades da viga, deixando a viga inclinada. Esses deslocamentos podem ser controlados pelo painel de Propriedades ou diretamente na tela.

O campo Orientação só será habilitado caso a viga seja criada em um plano inclinado, onde você pode optar por deixar a viga com a mesma inclinação do plano (Normal) ou manter a orientação padrão dela (Horizontal).

Por fim temos o campo Rotação do corte transversal, que permite girar a viga no sentido transversal. Observe que o giro é realizado ao redor do seu “ponto de ancoragem”, de forma que ela permanece associada ao nível ou plano de trabalho.

Posição geométrica
No campo posição geométrica podemos fazer alguns ajustes nas vigas, porém, de acordo com o tipo de viga, mais ou menos opções podem ser exibidas. Você vai notar que as vigas de aço e madeira tem algumas opções de edição adicionais em relação as vigas de concreto.

Os campos Extensão inicial e Extensão final controlam o comprimento da viga em relação as suas extremidades. Quando analisamos uma viga sozinha isso não faz muito sentido, mas quando temos duas vigas se encontrando pode ser muito útil para definir o transpasse da viga.

Já os campos de Justificação e deslocamento são as mesmas opções que vimos no painel Modificar | Quadro estrutural.

Um detalhe importante aqui é que no campo Justificação YZ temos a opção Uniforme (onde as alterações realizadas são aplicadas em ambas as extremidades da viga) e a opção Independente (as alterações são aplicadas de forma independente ao início e final da viga).

Aqui é importante entender que os pontos inicial e final da viga são “pontos de ancoragem”, eles não serão movidos de lugar e sim a viga que será deslocada.

Observe que em uma viga onde o deslocamento em Y está com o valor de 0,20m, a viga é deslocada na distância especificada, porém os pontos de origem e final da viga permanecem onde estão.

Outro aspecto importante é que em vigas de madeira ou aço podemos alterar o sentido de início e final da viga. Para isso basta selecionar a viga desejada e clicar na seta que é exibida em azul para inverter.

Material e acabamentos
O campo Material e acabamentos nos oferece uma única opção, no caso o Material estrutural, que permite escolher o material que será aplicado à Viga.

Se quiser saber mais sobre materiais no Revit fiz uma série de artigos que vão lhe permitir criar e personalizar materiais conforme as necessidades do seu projeto. Vou deixar os links logo abaixo:
GUIA BÁSICO DE MATERIAIS – REVIT
MATERIAIS PERSONALIZADOS – REVIT
MATERIAIS REALISTAS (PBR) – REVIT
Estrutural
O campo estrutural é um dos mais importantes, de forma que de acordo com o tipo de viga temos diferentes opções disponíveis. Olhe como são as opções para vigas de madeira, aço e concreto.

Em Localização do símbolo da viga temos as opções Topo da geometria, Centro da geometria, Base da geometria e Linha de localização.

O campo Localização do símbolo de viga é exclusivo para vigas de aço e controla a localização da viga quando ela está com o modo de exibição Nível de detalhe: Baixo.

Lembrando que quando colocamos o nível de detalhe como baixo a viga é representada como uma “linha”, porém, essa linha só será exibida se você estiver em uma vista de planta Estrutural, por se tratar de um elemento estrutural.

Já os campos Conexão de início e Conexão de fim permitem inserir um símbolo nas extremidades da viga quando as mesmas são exibidas com nível de detalhe baixo.

Mas aqui temos um problema, pois mesmo que você selecione uma das opções (Momento de pórtico e Momento de balanço), nada muda.
Isso acontece devido os símbolos de anotação não estarem carregados no projeto, para isso vá até a aba Estrutura e no painel Estrutura clique na “setinha” no canto inferior direito.

Na janela Configurações estruturais, na primeira aba (Configurações de representação símbólica) temos o campo Símbolo de conexão.

Observe que a opção Vigas e contraventamentos está exibindo justamente os símbolos para Momento de pórtico e Momento de balanço, como Nenhum.

Caso não tenha nenhuma opção, você pode carregar as famílias clicando em Carregar. As famílias que precisamos carregar são de anotação e se chamam Conexão-momento-preenchido e Conexão-momento-não-preenchido.

Lembrando que para o Momento do pórtico devemos utilizar a anotação preenchida e para o Momento de balanço a anotação não preenchida.

Pode clicar em Ok para finalizar a janela. A partir de agora ao selecionar as opções Conexão de início e Conexão de fim os símbolos são exibidos.

O campo Comprimento de corte é bem simples. Apesar de estar bloqueado ele apenas exibe o comprimento da viga. Muito útil para vistas em seção, onde não é possível visualizar o comprimento da viga.

O campo uso estrutural foi apresentado mais acima, aqui podemos definir a viga como Viga mestra, caibro, terça, contraventamento horizontal ou outro.

O campo Peso é exclusivo de vigas de aço, ele apenas informa o valor do peso com base no peso nominal da viga.

Logo abaixo temos o campo Valor da curvatura, que é exclusivo de vigas de aço. Aqui você pode inserir o valor de deflexão criada na viga durante a fabricação que neutralizará a deflexão de flexão quando carregada durante a construção/vida útil do edifício.

E logo abaixo temos o campo Número de montantes, que está com um probleminha de tradução. Em inglês o nome deste campo é “Number of studs”, onde devemos indicar a quantidade de “conectores de cisalhamento” que a viga terá.

Quando selecionamos uma viga de concreto, temos diferentes opções para o Recobrimento do vergalhão.

O recobrimento do vergalhão funciona tanto como uma camada física de proteção da armadura contra a corrosão, como uma camada química, onde o pH básico do concreto mantém a estabilidade química da armadura.
Para saber o valor correto de recobrimento você pode consultar a NBR6118 DE 08/2023 – Projeto de estruturas de concreto, onde temos a tabela onde podemos consultar a classe de agressividade ambiental.

Definida a classe de agressividade podemos consultar a tabela com o cobrimento nominal adequado para o vergalhão.

Observe que o valor padrão do Revit é 25mm, ou seja, Classe de agressividade ambiental I.

Cotas
O campo cotas é um campo informativo, onde não podemos fazer alterações, porém temos valores importantes identificados neste espaço.

- Comprimento – valor de comprimento total da viga.
- Volume – volume total da viga.
- Elevação do topo – altura da face superior da viga em relação ao nível associado.
- Elevação na parte inferior – altura da face superior da inferior em relação ao nível associado.
Editando vigas no Revit – Propriedades de tipo
Ao clicar na ferramenta Viga você pode, através da paleta Propriedades, clicando em Editar tipo acessar as Propriedades de tipo, que controlam o comportamento de todas a vigas de mesmo tipo presentes no seu projeto.

A janela Propriedades de tipo, conforme apresentei no início do artigo, pode exibir diferentes campos de edição de acordo com o tipo de viga selecionada.

O campo Estrutural, onde temos a opção Forma da seção não é editável, uma vez que essa informação é definida dentro da família da viga.

Os próximos campos vão variar em função do tipo de viga. Para concreto e madeira, o campo cotas se limita as dimensões gerais da seção, no caso “largura” e “altura”.

Já para vigas de aço, devido sua variedade e complexidade de formato, temos bem mais opções.

Cada campo controla uma diferente informação da viga, lembrando que mesmo entre vigas de aço podem haver diferenças.

O campo Análise estrutural contém uma ampla variedade de parâmetros que serão melhor explorados em outro artigo, uma vez que impactam no dimensionamento estrutural do projeto.

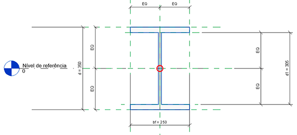
Por fim a Geometria do corte estrutural oferece parâmetros para controlar todas as dimensões da viga em sua seção.

Para um melhor entendimento dos campos você pode consultar a imagem abaixo.

Conclusão
A ferramenta Viga oferece um amplo leque de recursos que combinados permitem desenvolver qualquer tipo de projeto, independente do tipo de material da viga.
Tem alguma dúvida sobre como trabalhar com vigas no Revit ou alguma outra sugestão? Compartilhe sua dúvida, ela pode virar uma publicação exclusiva!
Gostou? Sabia que você pode colaborar com o site? saiba mais no link abaixo!
Curta nossas redes sociais e compartilhe com seus amigos!!
Dúvidas? Comentem!
Apoie o QualifiCAD!
Se este conteúdo foi útil para você, considere apoiar o projeto!
Toda contribuição ajuda a manter o site gratuito, sem anúncios, e a levar mais conhecimento a todos.
Escaneie o QR Code abaixo ou Envie um Pix para apoiar o QualifiCAD!
📲 Siga o QualifiCAD nas redes sociais e acompanhe nossas atualizações:
💬 Deixe seu comentário abaixo e participe da conversa! Sua opinião é importante!!