Guarda-corpo NBR 9050 / NBR 9077 é uma necessidade para que o seu projeto atenda as normas de segurança, aprenda como criar esse tipo de família!
Um corrimão é um elemento que serve de apoio para quem utiliza escada (subindo ou descendo) e quem caminha por rampas ou passarelas. Já o guarda-corpo é um elemento de proteção para situações com desnível de piso ou ambientes mais altos.
O Revit oferece recursos para a configuração deste tipo de corrimão e seu guarda-corpo, porém, antes de fazer qualquer ajuste precisamos garantir que as pessoas possam se deslocar de forma segura e acessível.
Desta forma podemos nos pautar na NBR 9077 Saídas de emergência em edifícios e na NBR 9050 – Acessibilidade em edificações, mobiliário, espaços e equipamentos urbanos. Sendo assim, vamos consultar estas normas e entender como deve ser dimensionado corretamente um corrimão.
Corrimão nas normas NBR 9050 e NBR 9077
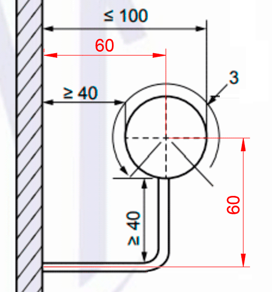
Ao consultar a norma NBR 9050 um dos primeiros itens que vemos está relacionado a empunhadura do corrimão, que exige que sua seção (diâmetro) tenha entre 30 e 45mm e que deve ficar afastado no mínimo 40mm da parede ou qualquer outro obstáculo.

Também é necessário instalar corrimão em duas alturas, considerando 0,70 e 0,92m a partir do nível do piso acabado e devem ser instalados de ambos os lados.

Ao final de uma rampa ou escada, os corrimãos devem se prolongar por 30cm.

Em escada ou rampas com largura superior a 2,40m é necessário a instalação de um corrimão intermediário duplo, garantindo a largura de passagem de 1,20m. Porém, em caso de patamares com profundidade superior a 1,40m ele deve ser interrompido.

Um outro detalhe está relacionado na finalização dos corrimãos de 0,70 e 0,92m, onde em alguns casos ele finaliza virando para a “parede” e em outros casos ambos os corrimãos se conectam. Abaixo ambas imagens foram extraídas da norma NBR 9050.

Não localizei uma orientação específica quanto a isso, mas pelo que entendi quando o corrimão está fixado em uma parede ou estrutura de alvenaria ele pode finalizar “virado” para a parede de forma independente. Já em casos de guarda-corpo com balaústres precisamos fazer a junção de ambos.
Agora que já levantamos o mínimo de informações técnicas, podemos ir para o Revit.
Corrimão e guarda-corpo NBR 9050/9077 Revit
O processo de configuração de um corrimão atendendo as normas NBR 9050 e NBR 9077 não é complicado, porém temos que ter em mente que o corrimão será utilizado em diferentes contextos, onde pode ser que seja necessário a configuração de corrimãos específicos.
Como assim?
Por exemplo, um corrimão pode ser aplicado em uma passarela sem nenhum grau de inclinação, em uma rampa acessível, com inclinação de até 8,33% e em escadas, onde temos lances com degraus e patamares. E olha que nem entrei na questão da mudança de direção!
Desta forma, é fundamental que você faça vários testes para se certificar de como será o comportamento do corrimão em diferentes cenários e, caso necessário, criar uma versão especial para atender cenários específicos de aplicação.
Se quiser prender mais sobre guarda-corpos e corrimão, vou deixar alguns artigos para que possa se aprofundar no assunto:
Para acessar a ferramenta guarda-corpo vá até a aba Arquitetura e no painel Circulação clique em Guarda-corpo. Pode selecionar a opção Caminho do croqui.

Clicando em Caminho do croqui somos direcionados para a aba Modificar | Criar limite do guarda-corpo.

Mas antes de criar o nosso guarda-corpo precisamos personalizá-lo. Para isso vá até a aba Propriedades e altere para a família 900mm tubulação, que é a opção mais “parecida” com o que precisamos.

Ainda na paleta Propriedades clique em Editar tipo.

Na janela Propriedades de tipo clique em Duplicar, para criarmos nossa família personalizada. Na janela Nome vou chamar de Guarda-corpo ABNT.

A primeira coisa que você precisa é entender a estrutura do guarda-corpo, que pode ser resumida em três elementos básicos: corrimão, estrutura do corrimão e balaustre.

Em Parâmetros de tipos essas informações podem ser acessadas nos campos a seguir:

Vamos configurar cada um dos itens a seguir.
Criar família balaústre NBR 9050/9077
Para a criação do balaústre precisamos criar uma família personalizada, desta forma você precisa ir até a aba Arquivo e no campo Novo escolher Família.

Na janela Nova família selecione o Balaústre métrico-poste.

Observe que temos uma nova área de trabalho para a criação da nossa família onde temos uma nova faixa de ferramentas.

Caso não tenha familiaridade com o processo de criação de famílias, recomendo que leia o artigo que fiz sobre criação de família. Vou deixar o link logo abaixo:
CRIAÇÃO DE FAMÍLIAS – FUNDAMENTOS
Perceba que como selecionamos um template específico para a criação do nosso balaústre, já temos alguns parâmetros pré-configurados.

O nosso balaústre tem um formato muito simples, sendo todo cilíndrico e com uma base redonda, desta forma podemos iniciar por sua base, indo no Navegador de projeto e alterando a vista para Nível de referência.

Nesta vista, vamos até a aba Criar e no painel Formas vamos clicar em Extrusão.

Será exibida a aba Modificar | Criar extrusão. Aqui, no painel Desenhar, selecione a ferramenta círculo e crie um círculo com 40mm de diâmetro bem no centro (intersecção) dos dois planos de trabalho.

Na paleta Propriedades, altere o valor Final da Extrusão para 15mm.

Na aba Modificar | Criar Extrusão você pode ir ao painel Modo e finalizar a extrusão.

Na Vista 3D já é possível ter uma ideia de como está ficando a nossa base.

Agora podemos nos concentrar no corpo do balaústre. Para isso vamos voltar para a vista Nível de referência e criar uma nova extrusão, indo até a aba Criar e no painel Formas clicar em Extrusão.

Dessa vez vamos criar um novo círculo com o raio de 20mm.

Na paleta de Propriedades, vamos fazer dois ajustes: no campo final da extrusão, vamos colocar o valor de 750mm e no Início da extrusão vamos colocar 15mm, pois precisamos deixar o começo do corpo do balaústre acima da nossa base.

Após inserir os valores vá até a aba Modo e pode finalizar a extrusão.

Volte para a vista de elevação. Aqui vamos apenas associar o topo da extrusão com o plano de referência, para que seja possível controlar sua altura. Para isso use o comando Alinhar.

Resolvemos o corpo principal, então antes de prosseguir vamos salvar o arquivo. Para isso vá até a aba Arquivo e no campo Salvar como selecione a opção Família.

Vou salvar com o nome de Balaústre_9050_principal.

Antes de prosseguir, precisamos criar os suportes que vão sustentar os corrimãos.
Criar família suportes NBR 9050/9077
Conforme vimos nas normas NBR 9050 / 9077 precisamos garantir que quando uma pessoa for segurar no corrimão exista um espaçamento de pelo menos 40mm. O que implica na criação de um suporte de apoio do corrimão.

Esse suporte será utilizado em duas situações: fixado no balaústre e fixado na parede. Desta forma o mais recomendado é criamos uma família “aninhada” que será carregada dentro da família do balaústre.
Nossa, ta ficando confuso isso…
Calma, se você não sabe trabalhar com famílias aninhadas, vou deixar o link para um artigo completo onde explico esse conceito.
Vamos lá! O primeiro passo é criar uma nova família, indo até a aba Arquivo e no campo Novo selecionar Família.

Na janela Nova família selecione a opção Suporte de corrimão métrico.

Neste arquivo de template temos os planos de referência vertical e horizontal e mais um plano de referência, que se você selecioná-lo verá que ele tem o nome de “folga da mão”.

Mas vamos ao que interessa. No Navegador de projetos escolha a vista Direita que é onde vamos criar o nosso suporte.

Observe que na vista Direita temos alguns parâmetros disponíveis, no caso o “folga de mão” e “Altura”.

Aqui é muito importante você observar o Nível de referência, pois é nele que o suporte precisa terminar, tanto é que o controle de altura está para baixo no Nível de referência.
Outro detalhe são os valores dos parâmetros. Observe que identifiquei em vermelho na norma que vamos precisar alterá-los para 60mm.

Para isso vá até a aba Criar e no painel Propriedades clique em Tipos de família.

Na janela Tipos de família, altere os valores dos campos Folga da mão e Altura para 60mm.

Pode clicar em ok e vamos criar o suporte. Para isso vá até a aba Criar e no painel Formas selecione a opção Varredura.

Ao ativar o comando Varredura, somos direcionados para a aba Modificar | Varredura. Aqui vamos até o painel Plano de trabalho e selecionamos a opção Caminho do Croqui.

Ao ativar a opção Caminho do croqui, você vai notar que estamos em uma nova “sub-aba”, de forma que agora temos a Modificar | Varredura > Caminho do croqui, onde temos acesso ao painel Desenhar. Clique a ferramenta Linha para desenharmos o caminho do suporte.

Quando desenhar o caminho da varredura é importante que ao finalizar você utilize o comando alinhar para colocar cadeado em ambas as linhas.

Por fim vamos arredondar o canto do suporte, para isso selecione qualquer uma das linhas e no painel Desenhar clique em Arco em concordância.

Em seguida basta clicar em ambas as linhas para iniciar o arredondamento do canto. Você pode fazer um raio qualquer e depois clicar na cota temporária para definir o valor de raio. Vou usar o valor de 15mm.

Feito isso podemos concluir essa etapa no painel Modo.

Agora que temos o caminho podemos definir o raio do suporte. Recomendo que você mude para a vista 3D.
Aqui vamos até a aba Modificar | Varredura e no painel Varredura clique em Selecionar perfil. Em seguida clique em Editar perfil.

Com isso será exibida a “sub-aba” Modificar | Extrusão > Editar perfil. No painel Desenhar clique na ferramenta círculo e faça uma circunferência com 6mm de raio.

Pode finalizar indo até o painel Modo, onde este processo finaliza apenas a criação do perfil. De volta a aba Modificar | Varredura finalize a varredura indo até a aba Modo novamente.

Com isso finalizamos o suporte do corrimão, mas antes de concluir vamos selecionar o suporte e atribuir um parâmetro para definir o material de acabamento dele. Selecione o suporte e na paleta de Propriedades e no campo Material clique no “quadradinho” no lado direito.

Como utilizamos um template próprio para o suporte de corrimão, observe que ao abrir a janela Parâmetro de família associado já tem um material criado chamado “Material de suporte”. Selecione ele e clique em Ok.

Finalizado o suporte não esqueça de salvar. vou chamá-lo de “Suporte_corrimão_9050”.

Agora vamos carregar o suporte na família do Balaústre, para isso vá até a aba Modificar e no painel Editor de família clique em Carregar no projeto.

Na janela Carregar nos projetos selecione a família de balaústre que acabamos de criar e clique em ok.

Feito isso podemos configurar os suportes dentro da família do Balaústre.
Configurar suportes no Balaústre 9050/9077
De volta a família de Balaústres vamos até o Navegador de projetos e ativar a vista Nível de referência (planta).

Na vista Nível de referência vamos até a aba Criar e no painel Modelo clique em Componente.

Como acabamos de carregar a família do suporte do corrimão ela já será ativada. Caso não seja selecionada a família desejada, basta ir até a paleta Propriedades e escolher a família correta.
Ao carregar a família de suporte, caso ela não venha na posição desejada, basta pressionar a tecla de espaço para corrigir sua posição. Vou colocar ela próximo ao balaústre (não se preocupe em colocar no lugar exato, vamos fazer isso na sequência).

O primeiro alinhamento que vamos fazer é o “frontal” para que a família de suporte fique perfeitamente alinhada em relação ao balaústre. Para isso vamos usar o comando Alinhar e bloquear com o cadeado.

Em seguida podemos selecionar o suporte posicioná-lo de forma para que fique encostado no balaústre. Com as medidas que trabalhei o valor de 80mm foi suficiente.

Agora vamos definir a altura dos suportes. Se você alterar para uma vista frontal vai perceber que o suporte está “no chão”. Mas não se preocupe, vamos definir alguns planos de referência e corrigir a sua altura.

Antes de ajustarmos a altura dos suportes vamos alterar a altura padrão do balaústre. Para isso vá ate a aba Criar e no painel Propriedades clique em Tipos de família.

Na janela Tipos de família localize o campo Altura do Balaústre e altere para 90mm.

Agora vamos consultar a norma para conferir as alturas dos suportes. Não se esqueça que na norma os valores de altura são para o topo do corrimão, como estamos definindo a altura dos suportes vamos precisar deixá-los mais baixos.

Vamos traçar dois planos de referência. Para isso vá até a aba Criar e no painel Dados clique em Plano de referência.

Trace dois planos de referência na horizontal e ajuste as distâncias em relação ao nível do piso em 600mm e 820mm. Esses valores estão com 100mm abaixo dos valores da norma, pois estamos descontando 60mm do suporte e 40mm do diâmetro do corrimão.

Coloque uma cota em cada plano de referência e bloqueie com o cadeado. Não será necessário parametrizar uma vez que estes valores de altura são fixos.

Vou mover o suporte verticalmente para que ele fique próximo do plano de referência e vou criar uma copia, afinal precisamos de dois suportes.

Com auxílio da ferramenta alinhar vou posicioná-los nos seus respectivos planos de referência e bloquear ambos com o cadeado.

A última coisa que precisamos fazer é definir um parâmetro de material para o balaústre e a sua base. Selecione ambos com auxílio da tecla Ctrl e na paleta de Propriedades localize o campo Material e clique no “quadradinho” a direita.

Em Parâmetros de família associado clique em Novo parâmetro na parte inferior esquerda da janela.

Na janela Propriedades de parâmetro vou definir o nome como Balaústre e deixar o parâmetro como Tipo. Para finalizar clique em ok.

Na janela Parâmetro de família o novo parâmetro já está selecionado, então basta clicar em ok.

Balaústre finalizado aproveite para salvar o arquivo e dar aquela conferida na vista 3D.

Agora vamos carregar o Balaústre para dentro do arquivo em que estamos criando o guarda-corpo clicando em Carregar no arquivo.

Vamos voltar para o projeto e configurar o restante do guarda-corpo.
Carregar balaústres no guarda-corpo NBR 9050/9077
Vamos carregar o balaústre que acabamos de criar no nosso guarda-corpo. Para isso selecione o guarda-corpo e na paleta de Propriedades clique em Editar Tipo.

Na janela Propriedades de tipo vamos clicar em Colocação do balaústre.

Estamos na janela Editar a colocação do balaústre. Não se preocupe com o tamanho da janela, se preocupe com a organização das informações. Os balaústres são organizados em Padrão principal e Polos.

O padrão principal é o corrimão “normal”, que é colocado em toda a extensão do guarda-corpo, já os polos são os “casos especiais”, que são as extremidades do guarda-corpo e os “pontos de virada” quando, por exemplo, o guarda-corpo faz uma virada a 90°.

Como em qualquer processo de criação de famílias, precisamos fazer testes para conferir o correto funcionamento da família, desta forma vamos inserir o balaústre que criamos tanto como postes de polos como no padrão principal.
Começando pelo padrão principal localizando o campo Família de balaústre e selecionando o balaústre que acabamos de criar.

Repita o processo no campo Polos, para os três postes (Poste inicial, poste canto e poste final).

Um último ajuste antes de finalizar é no campo Polos, mais precisamente na coluna Deslocamento do topo. Aqui precisamos colocar o valor de 0,92m para as três linhas. Em um primeiro momento isso vai “deformar” o nosso guarda-corpo.

Feito isso pode clicar em ok. Você vai retornar para a janela Propriedades de tipo, aqui vamos até o campo Corrimão superior. Desmarque o campo Usar guarda-corpo superior. Ao clicar em Aplicar você vai notar que o guarda-corpo volta ao “normal”.

Mas porque isso é necessário?
Ao desativar a opção “usar guarda-corpo superior” os corrimãos dos Polos exibem um erro, pois não há onde “encostar” já que o corrimão superior foi removido. Para evitar isso basta que o campo “Deslocamento do topo” tenha um valor de altura adequado.
Observe que os balaústres estão ok, porém o corrimão e suas barras não estão corretos, sendo assim vamos corrigir isso. Em Propriedades de tipo clique em Estrutura do corrimão (não-contínua).

Na janela Editar corrimãos (Não-contínuos), as “barras” são organizadas em linhas onde podemos escolher quantas barras, sua respectiva altura e deslocamento.

No nosso caso precisamos de apenas dois corrimãos, então para deletar os que estão sobrando selecione o corrimão “indesejado” e clique em Excluir.

Agora que temos apenas dois corrimão, precisamos antes mudar o perfil do corrimão, que está com 30mm. Por sorte, temos um perfil com o diâmetro de 40mm, mas caso você deseje fazer um perfil personalizado, vou deixar um artigo explicando o processo.
PERFIL DE VARREDURA PERSONALIZADO
Na coluna Perfil altere para M_Corrimão circular: 40mm.

Em seguida vamos corrigir a altura, onde precisamos deixar o primeiro com 92mm e o segundo com 70mm.

Se você clicar em aplicar, vai notar que a altura está correta, porém os corrimãos estão alinhados em relação aos balaústres. De forma que é necessário corrigir sua posição.

Para corrigir isso temos a coluna Deslocamento. Aqui podemos trabalhar com o valor negativo de -0.08m para ambos os corrimãos.

Um último ajuste será na coluna Perfil, pois o corrimão do guarda-corpo está com apenas 30mm. Por sorte temos um pronto com o diâmetro de 40mm. Basta selecioná-lo.

Pode clicar em Ok em todas as janelas e vamos conferir o resultado na vista 3D.

Em um primeiro momento parece que finalizamos mas se você se lembrar de conferir as normas, o final do corrimão precisa ser um avanço de 30cm.

Mas como eu resolvo isso?
A forma mais simples é a criação de um balaústre especial para os polos de início e fim. Vamos conferir como fazer isso.
Balaústre especial polos – NBR 9050/9077
Para criar o nosso balaústre especial não precisamos fazer do zero, podemos aproveitar o balaústre que já temos e adicionar os detalhes necessários. Vamos abrir o arquivo Balaústre_9050_principal.

O primeiro passo é ir ao Navegador de projetos e selecionar a vista Nível de referência.

Aqui vamos criar um plano de referência e chamá-lo de “Eixo corrimão”. Ele deve ficar a 80mm de distância do centro do balaústre.

Feito isso vá até a aba Criar e no painel Plano de trabalho clique em Definir.

Na janela Plano de trabalho localize o campo Especificar um novo plano de trabalho e na opção Nome selecione o plano de trabalho que acabamos de criar o Eixo corrimão.

Clique em Ok e será exibida a janela Ir para a vista. Selecione a Elevação: Direita.

Aqui nós vamos criar uma varredura que irá complementar o corrimão, para isso vá até a a aba Criar e no painel Formas clique em Varredura. Na aba Modificar | Varredura, dentro do painel Plano de trabalho clique em Caminho do croqui.

Agora estamos na sub-aba Modificar | Varredura > Caminho do croqui. No painel Desenhar com auxílio da ferramenta linha vamos desenhar o percurso do corrimão. Lembre-se que o corrimão deve ficar 80mm acima da linha dos suportes e ter comprimento total de 300mm.

No campo Modo clique em Ok.

De volta a aba Modificar | Varredura localize o campo Varredura e clique em Selecionar perfil e em seguida em Editar perfil.

A janela Ir para a vista será exibida, Selecione a vista 3D, ela é mais fácil para entender a modelagem da varredura.

Agora estamos na aba Modificar | Varredura > Editar perfil. No painel Desenhar localize a ferramenta círculo e faça uma circunferência com 20mm de raio (40mm de diâmetro).

Pode finalizar indo até o painel Modo, onde este processo finaliza apenas a criação do perfil. De volta a aba Modificar | Varredura finalize a varredura indo até a aba Modo novamente.

Observe que agora temos um balaústre que já vem com o acabamento de extremidade do corrimão. Não se esqueça de selecionar a varredura que criamos e atribuir um parâmetro de material para ele na paleta Propriedades.

Na janela Parâmetro e família associado clique em novo parâmetro.

Na janela Propriedades de parâmetro é só definir um nome, vou chamar o meu de Extremidade_corrimão e definir ele como Tipo.

Pode clicar em ok para finalizar. Não se esqueça de ir até o painel Editor de família e clicar em Carregar no projeto.

Agora estamos em uma etapa importante! Precisamos salvar o balaústre, porém esse balaústre corresponde a uma “ponta” do guarda-corpo.
Como assim uma ponta?
Lembre-se que o problema que identificamos foi que o guarda-corpo não tinha o prolongamento da extremidade, que deve acontecer nas duas pontas. Desta forma este guarda-corpo que fizemos corresponde a um dos lados, no caso o início.

Vou ter que modelar o do final né?
Calma, podemos evitar essa trabalheira. A primeira coisa é salvar este que acabamos de finalizar. Vá até a aba Arquivo e em Salvar como selecione a opção Família.

Salve com um nome que facilite a identificação. Vou salvar o meu com o nome de Balaústre_9050_polo_início.

Certo, agora para criar o Balaústre do final basta invertermos a varredura que fizemos com a ferramenta Espelhar. No Navegador de projetos altere para a vista de elevação Direita.
Na aba Modificar selecione a ferramenta Espelhar eixo e use ela para inverter o sentido da extensão do corrimão.

Observem que ao espelhar ele duplicou as varreduras e eu simplesmente deletei o segmento desnecessário. Agora é só Salvar como e definir um nome adequado. Eu vou chamar de Balaústre_9050_polo_final.
Não se esqueça de carregar no projeto indo até o painel Editor de família e clicar em Carregar no projeto.

Vamos voltar ao projeto onde criamos nosso guarda-corpo e configurar os novos balaústres.
Configurando balaústres especiais – NBR9050/9077
De volta ao nosso projeto, selecione o guarda-corpo e na paleta Propriedades clique em Editar tipo.

Na janela Propriedades de tipo clique em Colocação do balaústre.

Na janela Editar a colocação dos balaústres, no campo Polos, altere os balaústres inicial e final para os novos balaústres que acabamos de criar.

Feito isso basta clicar em Ok e conferir o resultado.

Pronto! Agora sim temos um guarda-corpo seguindo as orientações das normas NBR 9050/9077. Perceba que fiz uma versão simples mas você pode personalizar fazendo uma versão dupla ou mesmo incluir outros detalhes!
Conclusão
Guarda-corpo e corrimão conforme as NBR 9050 e NBR 9077 precisam atender a todos os requisitos de segurança, de forma que é fundamental ter um bom conhecimento dos recursos de edição de família do Revit para conseguir obter o resultado desejado.
Tem alguma dúvida sobre criar guarda-corpo e corrimão conforme as NBRs 9050/9077 ou alguma outra sugestão? Compartilhe sua dúvida, ela pode virar uma publicação exclusiva!
Gostou? Assine nossa Newsletter e seja avisado por e-mail quando saírem novas publicações!
Curtam nossa página! Facebook! E não esqueça de fazer uma avaliação da página!
Participem do nosso grupo! Grupo QualifiCAD
Dúvidas? Comentem!
Apoie o QualifiCAD!
Se este conteúdo foi útil para você, considere apoiar o projeto!
Toda contribuição ajuda a manter o site gratuito, sem anúncios, e a levar mais conhecimento a todos.
Escaneie o QR Code abaixo ou Envie um Pix para apoiar o QualifiCAD!
📲 Siga o QualifiCAD nas redes sociais e acompanhe nossas atualizações:
💬 Deixe seu comentário abaixo e participe da conversa! Sua opinião é importante!!
Muito bom o passo a passo!
Finalizei igual, mas quando dupliquei para fazer corrimão nos 02 lados, as 04 extremidades saíram do alinhamento vertical. Tentei de várias maneiras alterar, mas não consegui.
Como resolver?
Olá André,
Você conseguiria me encaminhar este arquivo?
Um abraço!
ola , vc pode encaminhar o arquivo
Boa tarde na meu revit, quando vou criar a nova familia não aparece algumas opções, inclusive a de Balaustre métrico
Olá Yasmin.
Que estranho, qual sua versão do Revit? Vou deixar o link de um artigo da Autodesk que pode ajudar você:
https://www.autodesk.com/br/support/technical/article/caas/sfdcarticles/sfdcarticles/PTB/Where-to-find-Revit-Content-Libraries-to-download.html
Um abraço!